【特 徴】
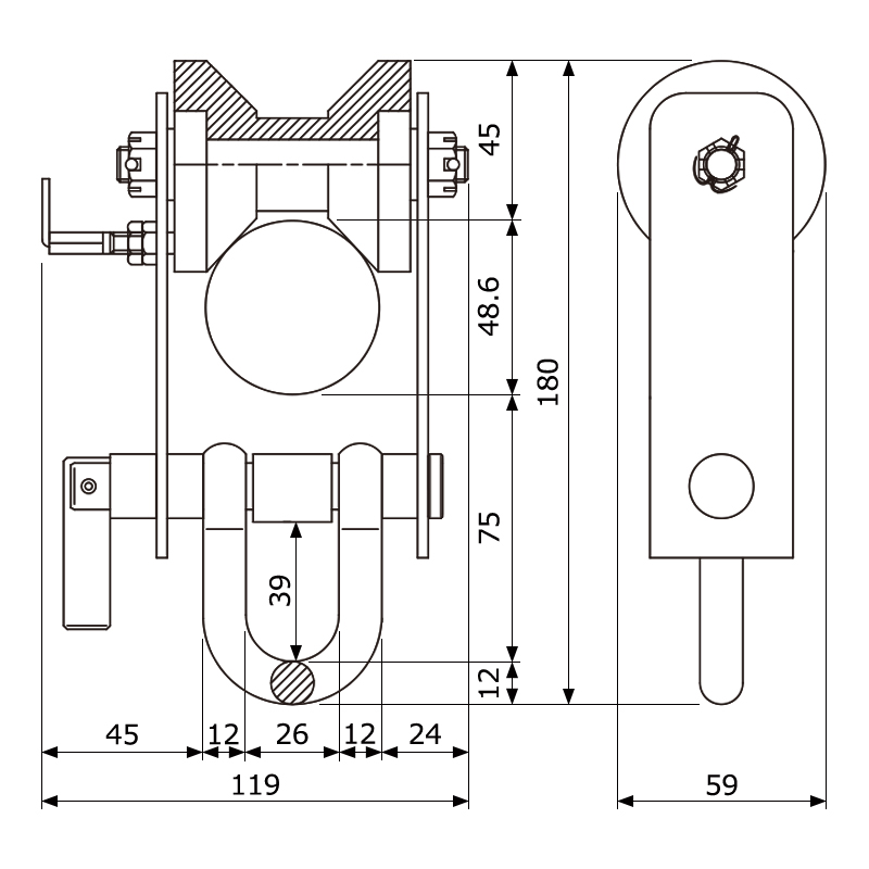
直径35mm~60mmのパイプをレールとして使えます。
単管にホイストやチェーンブロック、滑車などを
取付けることができます。
車輪が樹脂製なので、走行音が静かです。
単管にホイストやチェーンブロック、滑車などを
取付けることができます。
車輪が樹脂製なので、走行音が静かです。
用途・注意事項
吊具の横移動用として。
●使用荷重250kg以内でご使用ください。
●屋内仕様です。雨ざらしでの使用や保管は
避けてください。
●ロック機構は車輪を動かなくする機構です。
パイプの傾きや振動などで動く場合があります。
確実に止めたい場合は前後に別の単管クランプを
取付けるか、ロープ等で固定してください。
●使用荷重250kg以内でご使用ください。
●屋内仕様です。雨ざらしでの使用や保管は
避けてください。
●ロック機構は車輪を動かなくする機構です。
パイプの傾きや振動などで動く場合があります。
確実に止めたい場合は前後に別の単管クランプを
取付けるか、ロープ等で固定してください。


